NH3
Chanan
| штат: | |
|---|---|
| Количество: | |
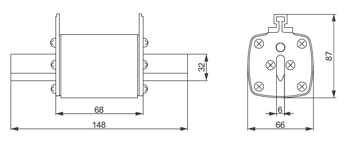
Плавкие вставки NH3 являются жизненно важным компонентом системы предохранителей NH, известной как «Низковольтный высокопроизводительный предохранитель».Система предохранителей NH, широко используемая в промышленном электрооборудовании, особенно в Европе, включает в себя ряд типоразмеров, причем NH3 является одним из самых больших размеров, обозначаемых цифрой «3».
Ключевые характеристики плавкой вставки NH3 включают в себя:
Физический размер: Цифра «3» означает стандартизированные физические размеры, обеспечивающие совместимость с соответствующими держателями предохранителей и распределительными устройствами, разработанными для этого размера.
Электрические характеристики: Плавкие вставки NH3 характеризуются определенными номиналами напряжения и тока, определяющими их максимальную выдержку напряжения и максимальный ток, который они могут безопасно отключить без повреждений.
Механизм защиты: Плавкие вставки NH3 играют решающую роль в обеспечении защиты от перегрузки по току, прерывая цепь, когда ток превышает заданный предел из-за перегрузки или короткого замыкания, тем самым защищая другие компоненты в цепи.
Дизайн: Обычно предохранители NH3 имеют ножевидную форму с токопроводящими лезвиями на обоих концах, что облегчает установку и извлечение из крепления.
Приложения: Эти предохранители используются в тяжелых промышленных условиях для защиты такого оборудования, как двигатели, трансформаторы и электроустановки, требующие электрической защиты более высокой мощности.
Плавкие вставки NH3 необходимы для обеспечения электробезопасности в промышленных условиях, обеспечивая надежную защиту от чрезмерных токов, которые потенциально могут привести к повреждению или опасностям.
| Модель | Эквивалентные модели | Номинальный ток (А) | Номинальное напряжение (В) | I²t (Ампер² секунды) | Потеря мощности (Вт) | |
| Предварительная дуга | I1 120 кА при 500 В | |||||
| НХ3-315А | РТ16-3 НТ3 РТ20-3 РО34 3НА3 | 315 | 500 690 | 375000 | 970000 | 22 |
| НХ3-355А | 355 | 400000 | 1110000 | 25 | ||
| НХ3-400А | 400 | 642900 | 2571500 | 30 | ||
| НХ3-425А | 425 | 570000 | 1934000 | 30 | ||
| НХ3-450А | 450 | 670000 | 2571500 | 33 | ||
| НХ3-500А | 500 | 886000 | 3898400 | 37 | ||
| НХ3-630А | 630 | 1590000 | 6996000 | 47 | ||
Плавкие вставки NH3 являются жизненно важным компонентом системы предохранителей NH, известной как «Низковольтный высокопроизводительный предохранитель».Система предохранителей NH, широко используемая в промышленном электрооборудовании, особенно в Европе, включает в себя ряд типоразмеров, причем NH3 является одним из самых больших размеров, обозначаемых цифрой «3».
Ключевые характеристики плавкой вставки NH3 включают в себя:
Физический размер: Цифра «3» означает стандартизированные физические размеры, обеспечивающие совместимость с соответствующими держателями предохранителей и распределительными устройствами, разработанными для этого размера.
Электрические характеристики: Плавкие вставки NH3 характеризуются определенными номиналами напряжения и тока, определяющими их максимальную выдержку напряжения и максимальный ток, который они могут безопасно отключить без повреждений.
Механизм защиты: Плавкие вставки NH3 играют решающую роль в обеспечении защиты от перегрузки по току, прерывая цепь, когда ток превышает заданный предел из-за перегрузки или короткого замыкания, тем самым защищая другие компоненты в цепи.
Дизайн: Обычно предохранители NH3 имеют ножевидную форму с токопроводящими лезвиями на обоих концах, что облегчает установку и извлечение из крепления.
Приложения: Эти предохранители используются в тяжелых промышленных условиях для защиты такого оборудования, как двигатели, трансформаторы и электроустановки, требующие электрической защиты более высокой мощности.
Плавкие вставки NH3 необходимы для обеспечения электробезопасности в промышленных условиях, обеспечивая надежную защиту от чрезмерных токов, которые потенциально могут привести к повреждению или опасностям.
| Модель | Эквивалентные модели | Номинальный ток (А) | Номинальное напряжение (В) | I²t (Ампер² секунды) | Потеря мощности (Вт) | |
| Предварительная дуга | I1 120 кА при 500 В | |||||
| НХ3-315А | РТ16-3 НТ3 РТ20-3 РО34 3НА3 | 315 | 500 690 | 375000 | 970000 | 22 |
| НХ3-355А | 355 | 400000 | 1110000 | 25 | ||
| НХ3-400А | 400 | 642900 | 2571500 | 30 | ||
| НХ3-425А | 425 | 570000 | 1934000 | 30 | ||
| НХ3-450А | 450 | 670000 | 2571500 | 33 | ||
| НХ3-500А | 500 | 886000 | 3898400 | 37 | ||
| НХ3-630А | 630 | 1590000 | 6996000 | 47 | ||